中铁十五局集团路桥科创装配产业(江门)有限公司
物资运输竞争性谈判采购公告
采购编号:ZT15LQKC-2023-WZYS-0405
中铁十五局集团路桥科创装配产业(江门)有限公司就项目生产的管片物资运输进行竞争性谈判采购,诚邀有意向的合格供应商参与。
1、项目概况:
工程名称:中铁十五局集团路桥科创装配产业(江门)有限公司
工程地点:广东省江门市鹤山市鹤城镇鹤山工业园A区
工程概况: 公司位于广东省江门市鹤山市鹤城镇鹤山工业园A区,占地面积约238亩(122亩为生产和办公区、116亩为产品储存区)。设置生产线3条(管桩生产线一条;管片、轨道板共用生产线一条;节段梁、综合管廊共用生产线一条)。生产产品涵盖房建、市政、公路、地铁等多个领域。辐射范围包括广州、中山、佛山、深圳、珠海、香港、澳门等200KM以内的区域。
1.1资金来源:已落实。
1.2招标内容:详见需求一览表。
物资运输需求一览表:
|
序号 |
包件号 |
标书售价(元) |
型号 |
数量 |
运输起点 |
运输终点 |
收货单位 |
|
1 |
WZYS-1 |
500 |
12.8米管片 |
1100环 |
广东省江门市鹤山市鹤城镇鹤翔西路中铁十五局集团路桥科创装配产业(江门有限公司) |
中铁二十二局集团有限公司穗莞深城际前海至皇岗口岸段项目总包部三工区项目部(约205公里) |
中铁二十二局集团有限公司穗莞深城际前海至皇岗口岸段项目总包部三工区项目部(约205公里) |
|
2 |
WZYS-2 |
500 |
12.8米管片 |
665环 |
|||
|
3 |
弧形构件 |
1756块 |
|
物资参数一 |
||||||||
|
类别 |
序号 |
型号 |
长L(m) |
宽B(m) |
高H(m) |
单重(t) |
数量(块) |
总重(t) |
|
12.8米管片 |
1 |
封顶块-F |
1885.5 |
1988.3 |
550.0 |
4.2 |
1765 |
7413 |
|
2 |
邻接块-L1 |
4843.7 |
1992.4 |
550.0 |
12.7 |
1765 |
22415.5 |
|
|
3 |
邻接块-L2 |
4843.7 |
2000.0 |
550.0 |
12.7 |
1765 |
22415.5 |
|
|
4 |
标准块-B1 |
4712.0 |
2000.8 |
550.0 |
12.7 |
1765 |
22415.5 |
|
|
5 |
标准块-B2 |
4712.0 |
2009.5 |
550.0 |
12.7 |
1765 |
22415.5 |
|
|
6 |
标准块-B3 |
4712.0 |
2013.0 |
550.0 |
12.7 |
1765 |
22415.5 |
|
|
7 |
标准块-B4 |
4712.0 |
2009.5 |
550.0 |
12.7 |
1765 |
22415.5 |
|
|
8 |
标准块-B5 |
4712.0 |
2000.8 |
550.0 |
12.7 |
1765 |
22415.5 |
|
|
9 |
标准块-B6 |
4712.0 |
1992.4 |
550.0 |
12.7 |
1765 |
22415.5 |
|
|
|
合 计 |
|
|
|
105.8 |
15885 |
186737 |
|
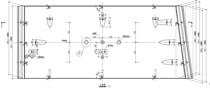
运输产品图纸
|
|
|
物资参数二 |
||||||||
|
类别 |
序号 |
型号 |
长L(m) |
宽B(m) |
高H(m) |
单重(t) |
数量(块) |
总重(t) |
|
弧形构件 |
1 |
弧形构件 |
9300.0 |
2025.0 |
2835.0 |
35 |
1756 |
57948 |
|
|
合 计 |
|
|
|
35 |
1756 |
57948 |
|
运输产品图纸
|
|
2、合格供应商资格要求
2.1供应商资格要求
1、在中华人民共和国境内依法注册、具有独立法人资格,具有一般纳税人资格。需提供合法、有效的三证合一营业执照。
2、投标人须是专业的运输企业单位,具有以上货物运输经验,并具有相关资质证书(须提供《道路运输经营许可证》等相关复印件)。
3、投标人公司自有13.5米运输货车不少于20辆,且所有车辆符合国家标准,车况良好,已经经保险公司承保,各种手续完备。(须提供车辆行驶证复印件、驾驶员驾照复印件及相关承保复印件)。
4、投标人必须具良好的资金财务状况,具有500万以上的垫资能力,能够以自己公司名义开具运输专用发票,本项目运输要求提供增值税专用发票。
5、投标人运作车辆应满足招标单位产品运输要求,具有相关配套设施。
6、投标人具有良好的社会信誉、履约信用和银行资信,在2019年及以后无骗取合同有关的犯罪或严重违法行为而引起的诉讼和仲裁。以上提及的有关资质证书及证明材料等,均需加盖公章。
2.2本次招标不接受联合体投标,投标单位必须提供一份安全运输服务承诺书(如运输货物的及时性、货物的装载加固能力、运输风险承担能力、紧急情况下的车辆调度能力等)。
2.3本次投标人的资质审查采用资质后审的方式。
2.4不接受被列入股份公司风险警示名录及中铁十五局集团合作风险警示名录内的厂家参与投标,若参与后果自负。
3、发布公告的媒介
3.1本次采购公告在铁建汇采工程物资设备电商平台(http://www.crcchc.com/)。
3.2 本次谈判安排如有变化,采购人将通过邮箱发布通知。
4、采购文件获取及投标保证金的递交
4.2报名成功后请于2023年4月26日下午18:00点前将投标保证金打入本次招投标资金账户(必须为投标报名单位基本账户,个人或其他单位账户汇入不予受理),过期视为放弃投标。
投标保证金金额:50000元/包件
本次招标的资金账户信息如下:
开户名:中铁十五局集团路桥科创装配产业(江门)有限公司
账 号:2012052209000025825
开户行:中国工商银行股份有限公司鹤山工业城支行
5、购买采购文件截止时间:2023年04月25日18:00(北京时间)
6、谈判文件递交时间:2023年04月27日上午09:00-09:30(北京时间)
7、谈判文件递交地点:中铁十五局集团路桥科创装配产业(江门)有限公司三楼会议室(广东省江门市鹤山市鹤城镇鹤翔西路)。
8、谈判时间:2023年04月27日上午09:30(北京时间)
9、谈判地点:广东省江门市鹤山市鹤山工业园区中铁十五局集团路桥科创装配产业(江门)有限公司三楼会议室
10、采购人、谈判组织者信息及联系方式
采购人:中铁十五局集团路桥科创装配产业(江门)有限公司
联系人:武凯 电话:13565319099
本次招标的组织机构:中铁十五局集团路桥科创装配产业(江门)有限公司投标报名表递交情况联系人:武凯 电话:13565319099
投标保证金交付情况联系人:姚家杰 电话:18756341506
招标组织联系人:武凯 电话:13565319099
中标通知书的下发、履约保函接受、签订合同等后续工作由采购人办理。
2023年4月18日
|
投 标 报 名 表 |
|||
|
项目名称 |
|
招标文件运输名称 |
|
|
招标文件编号 |
|
招标文件包件号 |
|
|
投标人单位名称: |
(填写单位名称) (盖单位公章) |
||
|
联系人 |
|
手 机 |
|
|
办公电话 |
|
办公传真 |
|
|
电子邮箱 |
|
邮 编 |
|
|
邮寄地址 |
|
||
|
声明 |
招标文件为我公司自愿购买,如我公司资格条件不符合本项目投标人资格要求,相关责任由我公司自行承担。 |
||
|
购买人签字 |
|
||
|
|
|
年 月 日 |
|
|
备注 |
|
||





